TOP264VG OFF-LINE POWER SW. 30-62W 11p. eDIP-12B
Termék leírása
OFF-LINE POWER SW. 30-62W 11p
Technikai paraméterek
Gyártó
POWER Integrations
Kapcsoló frekvencia
66kHz, 132kHz
Kimenet
725V, 2.08A
Láb szám
11 db
ROHS
igen
Szerelés
furatszerelt ( THT )
Széria
TOPSwitch-JX
teljesítmény
21-34W, hütve: 30-62W
Tokozás (adatlap szerint)
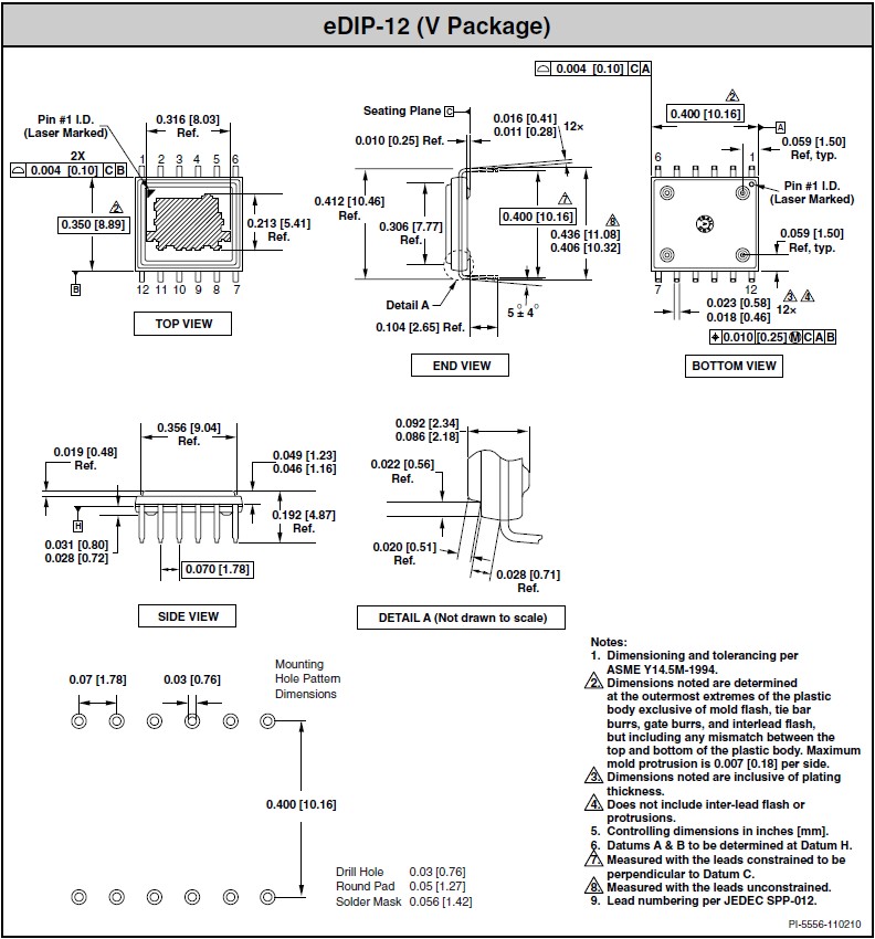
eDIP-12B (V package)
Üzemi hőmérséklet
-40...+150 °C



